
产品介绍
PRODUCTS

返回分类
LK-JDW400B(防爆型)
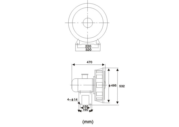
| 主要技术指标 | 电 源:三相380伏 | 额定功率:3.0千瓦 | 频 率:500±20赫兹 |
|---|---|---|---|
| 启动时间:≤3秒 | 平均声压级:(A级)124分贝(在半径5米处) | 重 量:75公斤 | 包装尺寸:55*50*61CM |
产品特点:
◆防护等级为IP55,防爆等级为Exd ⅡBT4;
◆特种铝合金材质,热处理加工,防潮、防腐蚀能力强;
◆不卡壳、不死机、不变形等,具有防风沙、防筑鸟巢等功能;
◆启动迅速、运转平稳、声源宏亮、穿透力强、声音覆盖范围大;
使用范围:用于油田、化工厂、加油站、油库等易燃易爆的应急警报系统中.

